INTRODUCCION
El pilomatricoma1 es una neoplasia benigna formada por células similares a las de la matriz pilosa que, como ellas, se queratinizan sin formación de capa granulosa. Clínicamente se suele manifestar como un nódulo subcutáneo, firme y, a menudo, de tacto pétreo, recubierto de piel normal. Aparece preferentemente como lesión única en cara y extremidades, en edades jóvenes (primeras décadas de la vida), si bien se ha referido un segundo pico de incidencia en edades más avanzadas2, sin diferencias clínicas o histológicas de importancia entre ambos grupos de edad3.
Histológicamente se trata de una tumoración bien delimitada y con frecuencia circunscrita por una cápsula fibrosa. Inmersos en un estroma bastante celular se aprecian islotes irregulares compuestos por células epiteliales de dos tipos: unas, llamadas basófilas, de núcleo redondeado u oval, hipercromático y escaso citoplasma, por lo que dan el aspecto de células amontonadas situadas a un lado o en la periferia de los islotes y en donde se pueden apreciar frecuentes figuras de mitosis, y otras células llamadas sombra o fantasma, de borde neto con una claridad central, donde deberían situarse los núcleos. En ciertas zonas se observa la transición de células basófilas a células sombra. Cuanto mayor es el tiempo de evolución de la tumoración menor número de células basófilas tiene y, por ende, mayor de células sombra.
Como hallazgos histológicos secundarios se han descrito en este tumor la presencia de hemorragia intratumoral, calcificación distrófica, osificación, reacción granulomatosa a cuerpo extraño y pigmentación1.
DESCRIPCION DEL CASO
Una mujer de 49 años consultó por presentar en zona lateral derecha de la frente una lesión de unos 4 meses de evolución, que se desarrolló, según refería, tras la picadura de un mosquito. Al tacto se apreciaba una lesión subcutánea, dura, asintomática, que recordaba el tacto de un quiste epidermoide y estaba recubierta de piel normal, no pigmentada.
La paciente padecía hipertensión arterial, controlada mediante tratamiento, glaucoma y había sido operada de hernia cervical. No refería ningún tipo de alergia conocida ni antecedentes familiares de interés.
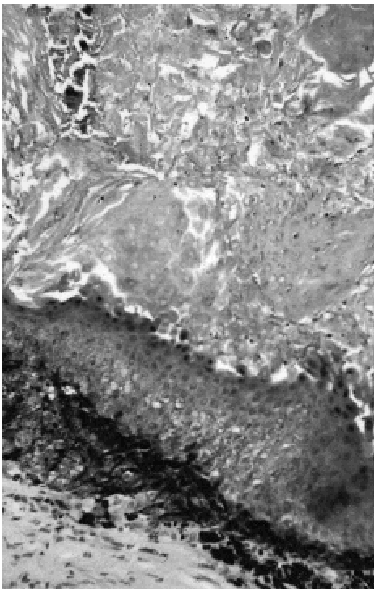
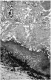
Bajo la sospecha de quiste epidermoide se procedió a la extirpación completa de la lesión bajo anestesia local. El examen macroscópico de la pieza evidenciaba que se trataba de una neoformación encapsulada de 1,8 x 1,6 x 1,5 cm, con tonalidades negruzcas en alguna zona. El estudio histopatológico mostró un pilomatricoma en el que se apreciaba gran cantidad de pigmento melánico en el interior, tanto de las células basófilas como de las fantasmas, así como en macrófagos del parénquima (fig. 1). Además se podía apreciar la presencia de algunos melanocitos dendríticos intercalados entre las células del tumor (fig. 2).
Fig. 1.--Células epiteliales basófilas en la periferia, en transición hacia células fantasma en el interior. Pigmentación periférica (HE x 200).
Fig. 2.--Pigmentación intensa alrededor y entre células basófilas y fantasma, con presencia de algunos melanocitos dendríticos (S-100 x 400).
DISCUSION
El pilomatricoma es un tumor benigno con diferenciación pilosa, originado a partir de células matriciales. Estas células matriciales del bulbo son las encargadas de formar la vaina radicular interna del folículo (las más externas) y el tallo piloso (las internas). Entre estas últimas se sitúan grandes melanocitos dendríticos4, de cuyo pigmento depende la coloración del pelo. Por lo tanto, no debería sorprender la hiperpigmentación o hiperplasia melanocítica en este tipo de tumores. Pero, en la práctica, sí es un hecho sorprendente, porque la mayor parte de los pilomatricomas no contienen pigmento melánico y, de tenerlo, es en mínima cantidad. Headington5 refiere que se hallan pequeñas cantidades de melanina en el 10%-15% de los casos. Asimismo, Forbis et al6 ya habían referido anteriormente un 8% de casos de pilomatrixomas con hiperpigmentación y Cazers et al7 habían observado la presencia de melanocitos dendríticos en dichos tumores. El caso que presentamos muestra una marcada pigmentación melánica, pero no eran abundantes los melanocitos dendríticos. Se han descrito casos en los que la proliferación melánica es más masiva, llegando incluso a sustituir en gran parte, o casi por completo, a la población de células epiteliales8, 9. La posibilidad de hiperpigmentación y/o hiperplasia melánicas en los pilomatricomas se ha de tener en cuenta, ya que puede suponer un verdadero desafío diagnóstico frente a otros tumores pigmentados.




