INTRODUCCIÓN
Bajo los términos elastólisis dérmica papilar similar al pseudoxantoma elástico (EDP-PX)1-5 y papulosis fibrosa blanca del cuello (PFBC)6-14 se han definido un grupo de lesiones adquiridas idiopáticas, no inflamatorias, localizadas en el cuello y la nuca, observadas habitualmente en individuos de edad avanzada, que combinan una imagen clínica que recuerda al pseudoxantoma elástico con el hallazgo histopatológico de elastólisis de la dermis papilar (EDP-PX) y/o de un engrosamiento de la colágena en la dermis superficial (PFBC).
La PFBC fue descrita por Shimizu et al6 en 1989 en 32 pacientes japoneses. Las lesiones se caracterizaban clínicamente por pápulas blanquecinas asintomáticas en la región cervical de individuos de edad avanzada. Desde un punto de vista histopatológico se observó un engrosamiento focal de las fibras de colágena en la dermis papilar y reticular superficial.
En 1992, Ronglioletti y Rebora1 describieron bajo el término de EDP-PX a dos mujeres de 65 y 63 años con múltiples pápulas amarillentas simétricas y asintomáticas en las caras laterales del cuello con un aspecto clínico similar al observado en el pseudoxantoma elástico. Desde un punto de vista histopatológico se constató una ausencia de fibras elásticas en la dermis papilar (fibras de elaunina y oxilatan) y su disminución en la dermis reticular.
Con posterioridad algunos autores describieron bajo otros términos (elastólisis de la dermis superficial15, elastólisis dérmica no inflamatoria16) lesiones similares a las previamente descritas. Sin embargo, la relación entre estas distintas entidades y específicamente la EDP-PX y la PFBC ha sido motivo de controversia17, 18.
DESCRIPCIÓN DE LOS CASOS
Caso 1
Mujer de 70 años con antecedentes de hipertensión arterial de años de evolución, insuficiencia renal crónica secundaria a riñones poliquísticos, nefrectomía derecha y trasplante renal en diciembre de 1992, en tratamiento con ciclosporina A (3 mg/kg/d), prednisona 15 mg/d y azatioprina 590 mg/d. En mayo de 1994 presentó un infarto agudo de miocardio anterior y desde entonces episodios ocasionales de taquicardia paroxística supraventricular.
Refería la aparición progresiva durante los últimos 6 meses de múltiples lesiones papulosas blanco-amarillentas, asintomáticas, en las caras laterales del cuello y de la nuca. Dichas lesiones se agrupaban en placas reticuladas de bordes mal definidos. Las lesiones presentaban un aspecto clínico «xantomatoso» y similar al «cuero marroquí» observado en el pseudoxantoma elástico (fig. 1). No se observaron lesiones similares en otras localizaciones.
Fig. 1.--Caso 1. Pápulas blanco-amarillentas en caras laterales y posterior del cuello.
Caso 2
Mujer de 69 años con antecedentes de artrosis de cadera, histerectomía y anexectomía, que consultó por lesión papulosa queratósica de 5 mm de diámetro en la mejilla derecha de unos 8 meses de evolución cuya biopsia fue compatible con carcinoma basocelular. La exploración física reveló asimismo la presencia de múltiples pápulas amarillentas de 2-3 mm de diámetro en la región cervical lateral posterior, agrupadas, de aspecto reticulado (fig. 2). Las axilas e ingles se hallaban respetadas.
Fig. 2.--Caso 2. Múltiples pápulas blanquecinas confluentes de aspecto xantomatoso «en empedrado».
En ambas pacientes el diagnóstico diferencial clínico de las pápulas del cuello incluyó los siguientes procesos: pseudoxantoma elástico, nevo del tejido conectivo, anetodermia y elastosis actínica (nodular).
ESTUDIO HISTOPATOLÓGICO
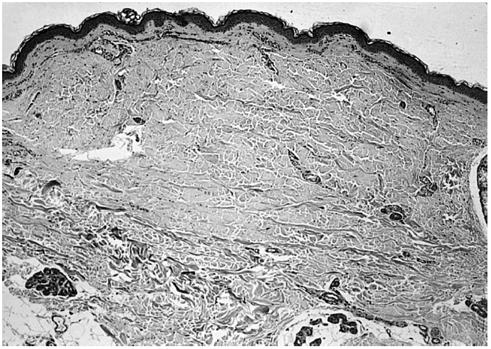
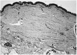
El estudio histopatológico evidenció únicamente una discreta atrofia epidérmica y un engrosamiento de las fibras colágenas en la dermis reticular en una de las biopsias (paciente 1) (fig. 3). En ninguna muestra histológica se evidenció elastosis actínica.
Fig. 3.--Mínima atrofia epidérmica. Engrosamiento de las fibras de colágena en la dermis reticular (H-E, ×40).
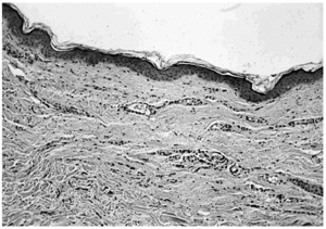
Las tinciones específicas (tricrómico de Masson, tinción para fibras elásticas) revelaron una disminución/ desaparición de las fibras elásticas en la dermis papilar y reticular superficial en ambos casos (fig. 4).
Fig. 4.--Piel afecta (caso 1): desaparición de las fibras elásticas en la dermis papilar y reticular (tinción fibras elásticas ×100).
Se realizaron asimismo biopsias de la piel sana inmediatamente contigua a las lesiones. Las tinciones para fibras elásticas evidenciaron la desaparición de las mismas en la dermis papilar y su conservación en la dermis reticular (fig. 5).
Fig. 5.--Piel sana perilesional (paciente 1). Desaparición de las fibras elásticas elaunina y oxitalán en la dermis papilar (tinción fibras elásticas ×100).
El estudio ultraestructural realizado en las lesiones de una de las pacientes evidenció únicamente una discreta disminución de las fibras elásticas con un aspecto rarefacto y poroso de las mismas (fig. 6).
Fig. 6.--Estudio ultraestructural: fibras elásticas con un aspecto rare-facto y poroso (uranil acetato y citrato de plata ×30.000).
COMENTARIO
Tras revisar la literatura podemos constatar que los términos PFBC7-14 y EDP-PX1-5 han sido utilizados indistintamente para definir un cuadro clínico idéntico: pápulas blanco-amarillentas, asintomáticas de distribución simétrica en las caras laterales del cuello y nuca.
Las diferencias clínicas señaladas por algunos autores6 (carácter confluente [EDP-PX] o no [PFBC] de las lesiones o un tacto duro [PFBC] o blando [EDP-PX]) se revelan poco útiles para diferenciar ambos procesos. En casi todos los casos de PFBC las lesiones son indistinguibles clínicamente de las descritas en la literatura como EDP-PX17. El aspecto clínico en ambas entidades recuerda al pseudoxantoma elástico13, aunque las lesiones se distribuyen exclusivamente en la región cervical, se manifiestan en mujeres de edad avanzada y no se asocian a alteraciones oftalmológicas o cardiovasculares. El diagnóstico diferencial puede plantearse también con la anetodermia, los colagenomas eruptivos, las cicatrices postinflamatorias o la elastólisis perifolicular.
Desde un punto de vista histopatológico se ha considerado que el hallazgo histopatológico fundamental de la EDP-PX es la desaparición o disminución de las fibras elásticas en la dermis papilar1-5. De forma característica no existe elastosis actínica. Sin embargo, la pérdida de fibras elásticas en la dermis papilar no constituye un hallazgo patognomónico de ninguna entidad individualizada y ha sido descrita como un hallazgo frecuente en el envejecimiento cutáneo intrínseco19,20.
Por otro lado, el engrosamiento de las fibras de colágena en la dermis superficial y media ha sido conside-rado como el hallazgo histopatológico característico de la PFBC6, 8, 11, 12. Sin embargo, en algunos casos descritos de PFBC se constata asimismo una reducción o disminución de las fibras elásticas10 (tabla 1).
Si consideramos, por un lado, que en algunos casos descritos como EDP-PX se ha constatado un engrosamiento de las fibras de colágena en la dermis superficial3 y, por otro, la observación de disminución de fibras elásticas en los casos de PFBC parece razonable considerar ambas entidades (la EDP-PX y la PFBC) como un único proceso17. Dicho grupo de entidades incluiría un espectro patológico con distintas combinaciones de elastólisis de la dermis papilar (completa o incompleta) con un engrosamiento de las fibras de colágena de intensidad variable.
La observación de elastólisis de la dermis papilar en la piel sana perilesional en nuestras pacientes sugiere que dicho hallazgo morfológico no constituye un dato característico en este grupo de lesiones. Por otro lado, sólo las biopsias de piel afecta demostraron una elastólisis de la dermis reticular superficial (no observada en las biopsias de piel sana). Sin embargo, la valoración de la «disminución» del número de las fibras elásticas o su desaparición en individuos de edad avanzada en biopsias practicadas en las caras laterales del cuello puede verse modificada por criterios subjetivos y plantear importantes dificultades. Es probable que las características clínicas de cada caso (PXE-like) sean la consecuencia de la combinación de una disminución en el número de fibras elásticas dérmicas junto con un engrosamiento variable de las fibras de colágena en la dermis superficial.
Tras revisar un total de 20 pacientes afectos de estos procesos, Balus et al18 constatan la presencia de cambios histopatológicos similares (fibrosis dérmica, elastólisis de la dermis papilar), aunque de menor intensidad en su grupo control. Balus et al llegan asimismo a la conclusión de la existencia de una superposición entre ambos procesos; consideran a la EDP-PX y a la PFBC como variantes de una única entidad y proponen el concepto unificador de «papulosis fibroelastolítica del cuello» para definir a este grupo de entidades.
Probablemente dichos procesos representan, tal como ha sido sugerido por algunos autores17, variedades morfológicas que reflejan un envejecimiento cutáneo con una imagen histopatológica poco específica (patrones fibroelastolíticos de envejecimiento cutáneo intrínseco).









